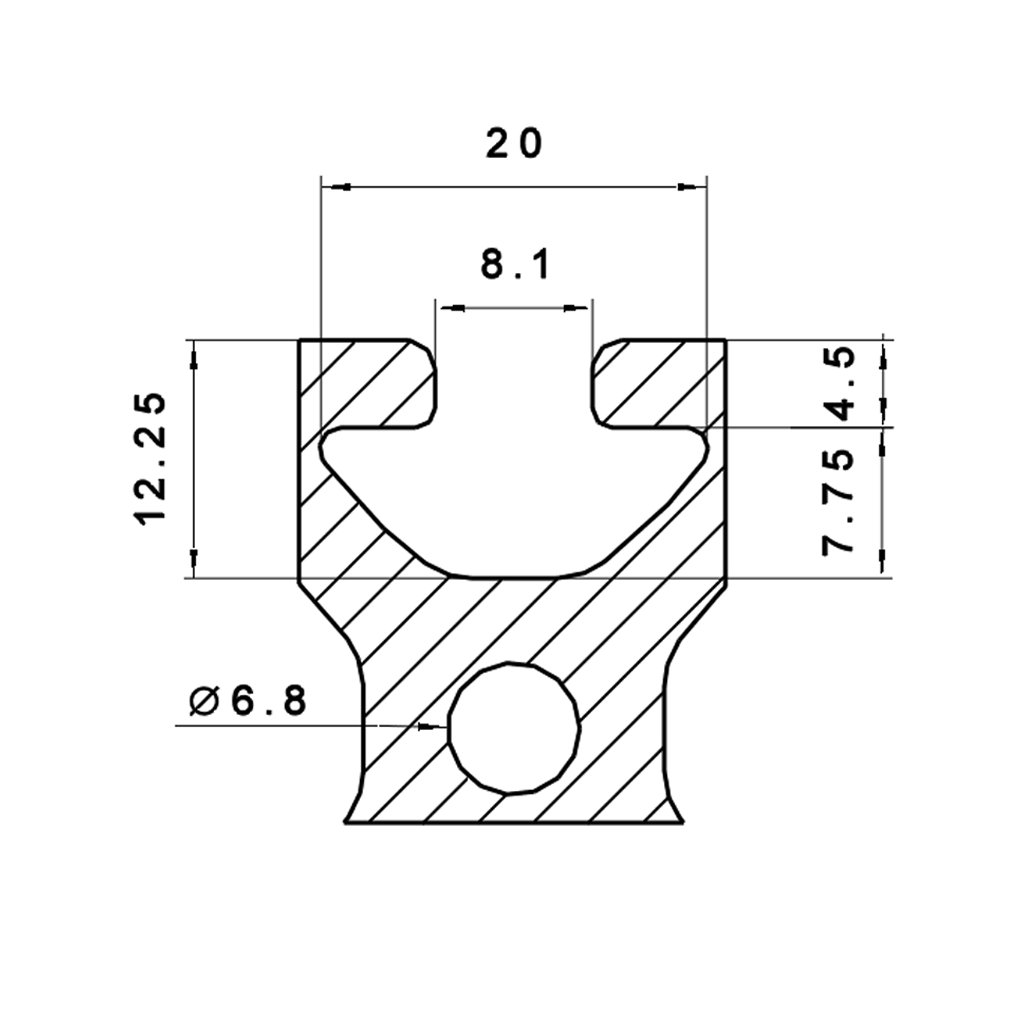
Hliníkový profil IM 40-8, 80x80, těžký
Kód: 084.114.006
Související produkty
Detailní popis produktu
Hliníkový profil se čtvercovým řezem určený pro struktury s potřebou vysokého zatížení ve všech směrech.
Těžká varianta s hmotností 7,25 kg/m.
Připojení díky 8 drážkám na všech stranách profilu.
Vyrobený z hliníkové slitiny EN AW 6060 T5, anodizační vrstva více než 12 mikronů, tolerance podle normy EN 12020-2.
Možnost dodávky balení ve svazku obsahujícím 15 tyčí.
Kompatibilita
Tímto výrobkem lze nahradit následující výrobky na trhu:
| Kód | Obj. č. | Poznámka |
|---|---|---|
| ALU | 108080 | hmotnost 6,82 kg/m |
| ALV | PRO8080 | hmotnost 7,14 kg/m |
| FMS | 05.01007.00 | hmotnost 6,88 kg/m |
| ITE | 0.0.026.27 | hmotnost 7,19 kg/m; úřez |
| ITE | 0.0.452.35 | hmotnost 7,19 kg/m; kus 6000 mm |
Upozornění: námi nabízený alternativní produkt může mít technické odchylky oproti originálnímu produktu. Pro případné vysvětlení rozdílů nás kontaktujte.
Spojování profilů
Výběr upevnění mezi různými profily je velmi důležitý v každé montážní struktuře. Zákazník má možnost vybrat si rozličná řešení závisející na požadovaném času realizace nebo charakteru zátěže či nosnosti.
1. Spojování pomocí šroubů v drážce
Jedná se o nejjednodušší a nejrychlejší způsob montáže. Tento systém spojení garantuje dobrou kolmost mezi dvěma povrchy (v závislosti na řezu profilů) a dobrou odolnost vzájemného spojení v příčném směru k drážce.

2. Spojování pomocí průběžného šroubu z vnější strany profilu
Jedná se o nejsilnější způsob spojování odolný vůči vzájemnému pohybu mezi dvěma profily. Tento způsob spojování poskytuje lepší kolmost spoje (což ovšem velmi závisí na péči o kvalitu řezu). Tento systém neumožňuje pohyb částí v případě ztráty šroubu. Vyvrtání otvoru může být provedeno pistolovým vrtákem se dvěma průměry.

3. Spojování pomocí spoje nebo úhelníků
Tento způsob spojování se obvykle používá tam, kde je zapotřebí největších možností regulace a snadné instalace. Technické specifikace všech produktů jsou v detailu produktu daného příslušenství.

Závity profilů
Pro realizaci závitu je doporučováno respektovat hloubku uvedenou v tabulce:
| Profil | Průměr šroubu | Doporučená hloubka (mm) |
| drážka 5 | M5 | 10 |
| drážka 6 | M6 | 15 |
| drážka 8 | M8 | 25 |
Maximální dotahovací momenty doporučované pro šrouby používané v systému ALUSIC činí:
| Profil | Průměr šroubu | Max. doporučovaný dotahovací moment (Nm) |
| drážka 5 | M5 | 6 |
| drážka 6 | M6 | 10 |
| drážka 8 | M8 | 20 |
Kompatibilní příslušenství pro všechny typy spojování panelů naleznete na záložce související produkty
Doplňkové parametry
| Kategorie: | Hliníkové profily IM 80x80 |
|---|---|
| Záruka: | 2 roky |
| Hmotnost: | 7.25 kg |
| Série: | IM 40-8 |
| Řez profilu: | 80×80 |
| Hmotnost (kg/m): | 7.244 |
| Materiál: | anodizovaný hliník |
| Barva: | přírodní |
| ? Délka profilu (mm): | 6 040 |
| Moment setrvačnosti lx (cm⁴): | 190,00 |
| Moment setrvačnosti ly (cm⁴): | 190,00 |
| Moment průřezu wx (cm³): | 47,50 |
| Moment průřezu wy (cm³): | 47,50 |
| Plocha řezu (mm²): | 2 686 |
| Minimální délka (mm): | 30 |
| Maximální délka (mm): | 6 000 |
| Řez: | REZ-B |
| Řez link: | /rez-profilu-b/ |
Hliníkové profily Alusic
Diskuze
Buďte první, kdo napíše příspěvek k této položce.



