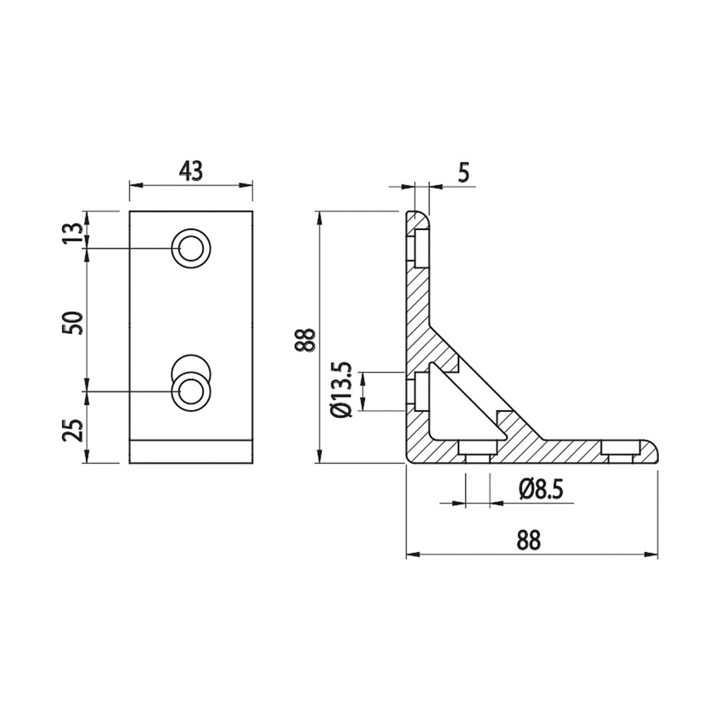
Úhelník 90°, 43x88, M8
Kód: 084.305.042
Související produkty
Detailní popis produktu
Univerzální úhelník s úhlem 90° a rozměry 43x88 pro spojování profilů z vnější strany pomocí šroubů M8x16.
Vysoké provedení zajišťuje vysokou pevnost spoje.
Vhodný zejména pro profily s řezem 45x45 mm.
Šrouby nejsou součástí dodávky.
Vyrobené z anodizovaného hliníku.
90° úhelníky Alusic
Diskuze
Buďte první, kdo napíše příspěvek k této položce.



