Lineární pohon 800.060 s profilem 45x90
Kód: 800.060
Související produkty
Detailní popis produktu
Menší lineární pohon ze série LIGHT s řemenovým pohonem s tělem z hliníkového profilu s řezem 45x90 slouží pro přepravu menších zátěží se silou Fx až 1 200 N, maximální rychlostí při plné zátěži až 1 m/s a s přesností pohybu +/-0,1 mm/m délky pohonu.
Vertikální orientace profilu zvyšuje odolnost vůči působení síly ve směru Fx.
Hliníkový profil umožňuje montáž nebo připojení příslušenství pomocí montážních drážek kompatibilních se systémem AC 45-8.
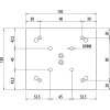
Pohyblivý jezdec s plochou 130x150 mm umístěný v horizontální poloze je vedený systémem vnějších koleček o průměru 12 mm.
Konstrukce jezdce s vnějšími kolečky je výhodná zejména pro dosažení vysokého momentu ve směru Mx.
Pohyb pohonu je zajištěný plastovým ozubeným řemenem připevněným k jezdci a vyrobeným z termoplastického polyuretanu TPU se standardizovaným tvarem zubů AT10 o šířce L=25 mm umožňující vyšší sílu ve směru Fx.
Napínání ozubeného řemenu se provádí systémem excentricky uloženého šroubu z boční strany zadního víka.
Příruba na čelním víku umožňuje připojení motoru s hřídelí o průměru Ø19.
K dispozici jsou volitelně redukce pro připevnění motorů s přírubou MVF30F a VF44F a délkami hřídelí 55 nebo 64 mm.
Lineární pohony 800.060 lze dodat s libovolným zdvihem po 1 milimetru až do 5 770 mm.
Doplňkové parametry
| Kategorie: | Lineární pohony FC |
|---|---|
| Materiál profilu: | hliník |
| Max.zdvih (mm): | 5770 |
| Moment MX (Nm): | 40 |
| Moment MY (Nm): | 30 |
| Moment MZ (Nm): | 40 |
| Ochrana proti prachu: | ne |
| Orientace profilu: | na výšku |
| Pozice jezdce: | horizontální |
| Přesnost (mm/m): | 0,1 |
| Rychlost (m/s): | 1 |
| Řez profilu (mm): | 45x90 |
| Síla FX (N): | 1200 |
| Síla FY (N): | 1500 |
| Síla FZ- (N): | 2200 |
| Síla FZ+ (N): | 2200 |
| Zrychlení (m/s²): | 5 |
| Drážka profilu: | AC 8 |
| Vedení jezdce: | vnější kolečka |
| Délka jezdce (mm): | 130 |
| Šířka jezdce (mm): | 150 |
| Průměr hřídele motoru (mm): | 19 |
| Způsob pohonu: | ozubený řemen |
| Rozměr řemenu: | AT10 L=25 |
| Typ řemenu: | rovné zuby |
| Napínání řemenu: | boční |
| Hmotnost jezdce (kg): | 1,6 |
| Hmotnost modulu bez jezdce (kg): | 5,8 |
| Hmotnost profilu (kg/m): | 5,6 |
Lineární pohony FC
Diskuze
Buďte první, kdo napíše příspěvek k této položce.



